Ihre Browserversion ist veraltet. Wir empfehlen, Ihren Browser auf die neueste Version zu aktualisieren.

Simulator Ein-Massen-System

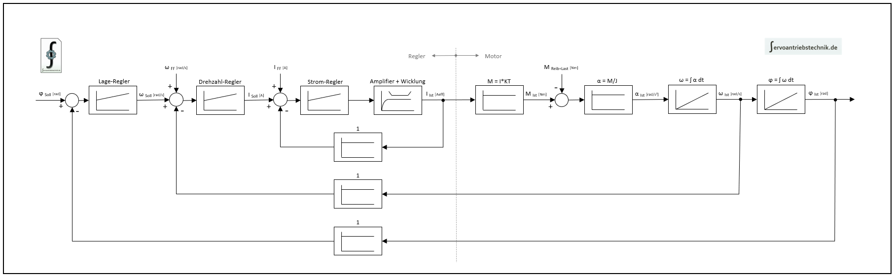
Trainieren Sie das Optimieren der Regelkreise am Simulator:

 

 

 

 

Legende:

KP_LR       P-Verstärkung Lageregler

TN_LR       Nachstellzeit Lageregler

KP_VDR    Vorsteuerung Drehzahlregler

KP_DR      P-Verstärkung Drehzahlregler

TN_DR      Nachstellzeit Drehzahlregler   

KP_VSR    Vorsteuerung Stromregler

KP_SR       P-Verstärkung Stromregler

TN_SR       Nachstellzeit Stromregler 

 

Download des Simulators:

Ein-Massen-System 2.4.xlsm

Ein-Massen-System 2.1.pdf

Die EXCEL-Anwendung muss lokal gespeichert werden und kann dann gestartet werden.

Die Anwendung enthält Makros, die Makrosicherheit muss deshalb auf "Mittel" minimiert sein.

Die Bode-Diagramme zeigen Betrag und Phase von imaginären Zahlenwerten an. Unter Extras - Add-ins müssen die Analysefunktionen und Analysefunktionen-VBA installiert sein.

 

Regelkreis:

 

RegelkreisRegelkreis