Ihre Browserversion ist veraltet. Wir empfehlen, Ihren Browser auf die neueste Version zu aktualisieren.

Kompensation Feedback-Filter

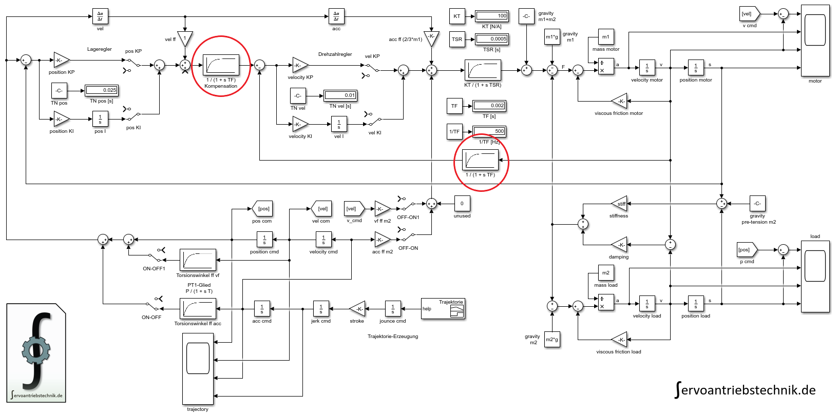
Filter in der Drehzahl-Rückführung

 

Die Lastmasse des 2-Massen-Sytems ist über den Torsionswinkel an der Motormasse über die Steifigkeit angekoppelt. Deshalb ist zwingend erforderlich, dass wir die tatsächliche Ist-Position des Motors exakt regeln. Es ist somit auch wichtig, die Ableitung (tatsächliche Ist-Drehzahl) zu regeln und NICHT die gefilterte Ist-Drehzahl auf den Sollwert zwingen.

Wir verwenden dazu die Sollwert-Verzögerung die wir aus der klassischen Regelungstechnik kennen. (vergleiche Thema: Sprungantwort für symmetrisches Optimum SO oder Dämpfungs-Optimum DO)

 

Kompensation Feedback-FilterungKompensation Feedback-Filterung

 

Damit die Kaskade insgesamt nicht zu viel an Dynamik einbüßt, müssen die Stromvorsteuerungen sorgfältig eingestellt werden.

 

Ausblick:

Die Stromvorsteuerungen lassen sich geschickt manipulieren, um die Stromregler-Zeitkonstante / Totzeit zu kompensieren. Bitte wenden Sie sich an servoantriebstechnik@web.de

 

24.05.2023  R. Fetzner