Ihre Browserversion ist veraltet. Wir empfehlen, Ihren Browser auf die neueste Version zu aktualisieren.

Elastisches Maschinenbett                actio = reactio

Maschinenteile lassen sich oft nicht mit der gewünschten Steifigkeit aufbauen. So stützen sich Antriebsmechaniken oft an Maschinen-Elementen ab, die selbst elastisch sind und nachgeben, sobald die zu bewegende Masse beschleunigt oder abgebremst wird.

Vereinfacht lässt sich das Problem darstellen am Beispiel "Linearmotor auf einem wackeligen Tisch":

 

Störgrösse elastisches MaschinenbettStörgrösse elastisches Maschinenbett

 

 Abgrenzung zum klassischen 2-Massen-System:

  • Beim 2-Massen-System soll der Motor beide Massen M1 und M2 antreiben, wobei eine der Massen der gewünschten Trajektorie folgen soll. Meist soll M2 der gewünschten Trajektorie folgen obwohl das Lage-Feedback an M1 gemessen wird. Hier soll nur M1 der Trajektorie folgen aber der gemessene Weg entspricht nicht dem Weg zum Ziel, weil der Offset Δs (=Nachgiebigkeit Tisch bzw. die aktuelle Auslenkung) das Bewegungsgesetz überlagert.
  • Im 2-Massen-System sind die beiden Massen über die Steifigkeit miteinander gekoppelt. Im jetzt betrachteten Fall, legt die Proportional-Verstärkung des Lageregelkreises die Steifigkeit zwischen Läufer und Stator fest und ist somit Abhängig von der Reglereinstellung. Die Steifigkeit des Tischs lässt sich nicht beeinflussen.

 

Maßnahmen gegen Schwingungen:

  • Tisch-Masse M2 vergrößern (Granitblock)
  • Trajektorien mit ruckfreien Übergängen wählen, die Schwingneigung wenig anregen
  • Tisch-Nachgiebigkeit und Auslenkungs-Geschwindigkeit schätzen und Soll-Trajektorie manipulieren.

 

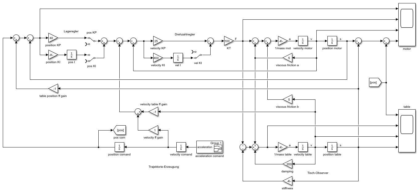
Aufschaltung (feed forward ff) einer geschätzten Störgröße auf die Trajektorie:

 

Regelung elastisches MaschinenbettRegelung elastisches Maschinenbett

 

 Ergebnisse der Simulation:

 

Simulation RegelkreisSimulation Regelkreis

 

Durch die Aufschaltung lässt sich erreichen, daß der Läufer der gewünschten Trajektorie folgt. Das Bild unten links zeigt die Positionsabweichung des Läufers gegenüber der Soll-Trajektorie in X-Richtung im ortsfesten Koordinaten-System.

 

Hinweis 1:

Ist zu erwarten, daß sich Masse M2, Steifigkeit und Dämpfung im Betrieb ändern, so können die Observer-Parameter für den Tisch nachgeführt werden. Ist eine Nachführung nicht möglich, kann die Einbindung eines Beschleunigungs-Sensors evtl. eine preisgünstige Lösung darstellen.

 

Hinweis 2:

Das vorgestellte Regelverfahren ist KEINE aktive Schwingungs-Dämpfung, sondern lediglich der Versuch den Störeinfluss der Tisch-Dynamik zu kompensieren.

 

Download:

Das SIMULINK-Model steht zum download bereit:

Stoergroesse_Maschinenbett_V008.slx

 

12.01.2022 Roland Fetzner