Ihre Browserversion ist veraltet. Wir empfehlen, Ihren Browser auf die neueste Version zu aktualisieren.

Schulung Regelungstechnik

Für ihre Schulungs-Unterlagen und Präsentationen stehen hier folgende Bilder zur Verfügung:

 

RegelkreisRegelkreis 

Regelstrecke MotorRegelstrecke Motor

 

 

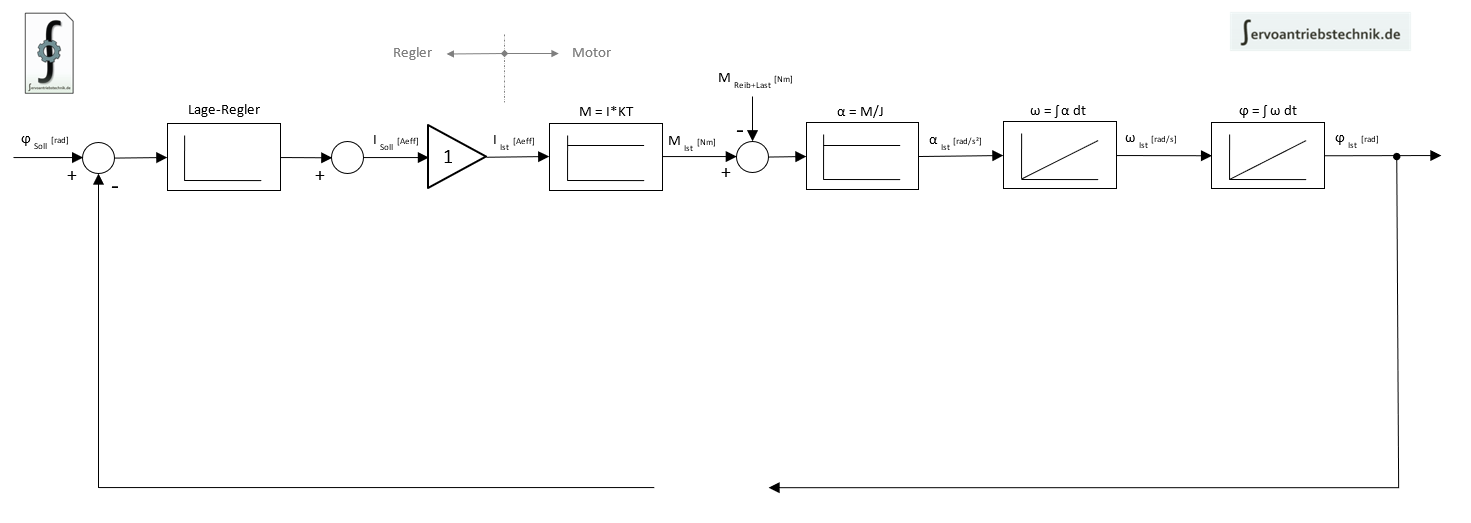
PID-LageregelkreisPID-Lageregelkreis

 

 

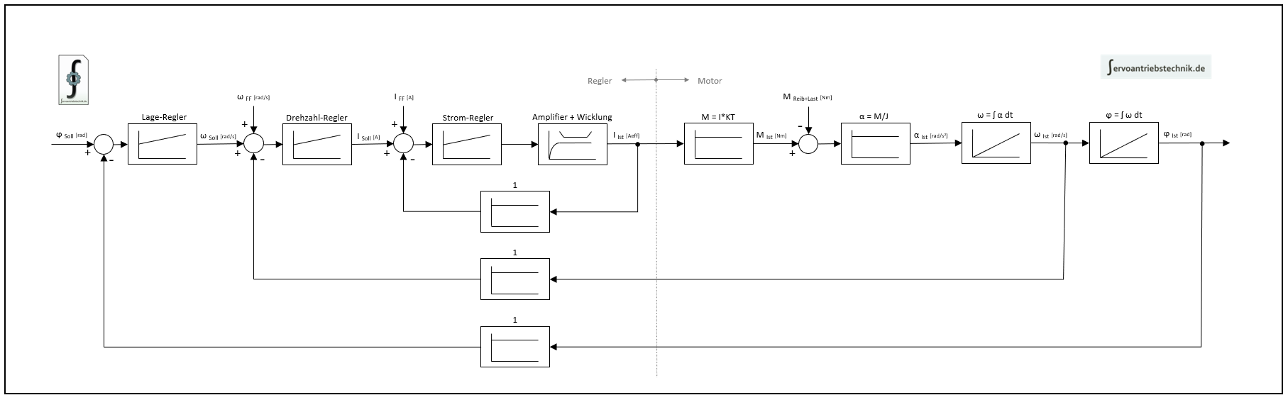
Regelkreis mit VorsteuerungRegelkreis mit Vorsteuerung

 

Torsionswinkel-Vorsteuerung mit PT1-GliedTorsionswinkel-Vorsteuerung mit PT1-Glied

 

 

Roland Fetzner 25.09.2023